微型智能电表领导品牌
400-996-9296
sales@eastrongroup.com
SDM630MCT-ML-TCP是一款插拔式方案以太网Modbus TCP通讯的四回路三相多功能电能表。
该表可用于1p2w、1p3w、3p3w和3p4w电网,可测量包括电压、电流、功率、PF、THD、频率、需求、能量等重要电力参数。
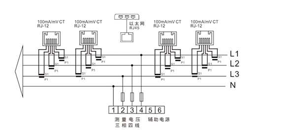
该表可作为4路三相电表或12路单相电表使用。
通过使用RJ端口接线,该电表提供了一个简单的插拔式解决方案,节省了80%的安装时间,避免了接线错误,这使得它成为数据中心多回路计量的完美选择。内置的接口支持以太网Modbus TCP/IP通讯。

|
测量精度 |
|
|
功率 |
IEC 61557-12 Class 2 |
|
有功电量 |
IEC 62053-22 Class 0.5S, IEC 61557-12 Class 0.5 |
|
反应能量 |
IEC62053-23 Class 2, IEC 61557-12 Class 2 |
|
频率 |
±0.2% |
|
电压 |
±0.2% |
|
功率因素 |
±0.1 |
|
谐波失真 |
2 |
|
输入和输出 |
||
|
输入电流 |
CT Secondary |
100mA/100mV |
|
CT Primary |
1-9999A |
|
|
最小电琉 |
0.25A |
|
|
启动电琉 |
100mA |
|
|
输出 |
以太网 Modbus TCP/IP |
|
|
Ethermet 通信 |
|
|
通讯协议 |
以太网 Modbus TCP/IP |
|
通信地址 |
1-247 |
|
ip地址 |
DHICP Factory default address: 192.168.1.200 |
|
数据 |
Floating Point |
|
变速器速度 |
>100MB |
|
反应时间 |
<100mS |